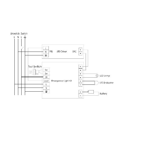
I “kit emergenza luci a LED” sono sistemi che consentono di accendere una luce di emergenza
in caso ci sia un’interruzione della fornitura sulla rete elettrica.
Facili da installare, sono dotati di test per l’autodiagnosi (stato batteria e funzionalità
luce di emergenza.
Ne proponiamo due modelli, uno per luci in C.C. mode e l’altro per luci in C.V. mode.
•EMLED3/60 versione con modalità di funzionamento a Corrente Costante
– kit comprensivo di batteria 3.6V 3.0Ah
– Funzione di carica automatica
– Ampio range per la tensione dei LED collegabili (3-60)
– Operatività di 3 ore in modalità di emergenza
– Indicazione a LED per lo stato di carica della batteria
– Protezione contro la scarica completa
– Adatto per lampade a LED con alimentatore esterno

